
Miniature Bearings Australia
WRE-0160-LS - Datasheet
MBA
Category Information
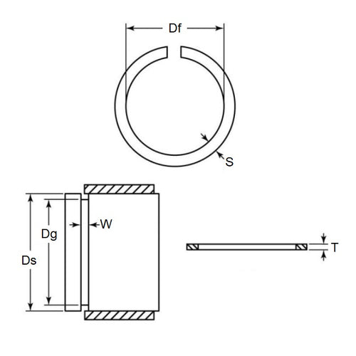
Retaining Rings - External - Snap Rings - Carbon SteelCarbon Steel Snap Rings External Retaining Rings. Includes series M3200 / SP / ESP / M2400 / SW snaprings. Similar to a circlip without the lugs.
- An expanded range may be available on special order. Please enquire.
- Carbon sping steel
- Used on the outside diameter of a bearing, shaft or similar equipment
Product Data
- Shaft or Bearing OD (d1)
:
16.00
mm
(Equiv. 0.63 in.) - Clip Thickness (T)
1.20
mm
+ 0 / - 0.10
(Equiv. 0.047 in.) - Groove Dia. (Dg)
15.40
mm
+ 0 / - 0.11
(Equiv. 0.606 in.) - Approx. Loose Circlip ID (A) 15.00 mm
- Radial Wall (S) Approx. 1.75 mm + 0 / - 0.10
- Groove Width (W) 1.30 mm
- Approx. Loose Clip OD 18.5
- Section Profile Rectangular with Square Edge
- Material Carbon Spring Steel
Product Compliance and Data
Additional Resources
Cross References
- NoCor DSW-016
- NTN WR16
- DSW016
- WRE0160SQ
- M2400-0160APP
- M24000160APP


