Miniature Bearings Australia - MBA Minibearings
Miniature Bearings Australia

P-40D-015-060SF-PA-N-040 - Datasheet

MBA

Category Information

Pulleys - Inch Timing - 2.073mm Pitch 40DP - 6.4mm Wide Plastic Plain

6.4mm Wide Plastic Plain 2.073mm Pitch 40DP Inch Timing Pulleys. Timing Pulleys to suit 40DP 2.070mm Pitch Timing Belts. Suits belts 6.0 to 6.4mm wide. Also known as LT. Moulded single or double flange. No locking device.

  • Timing pulleys combined with timing belts, provide power transmission without slippage.
  • Timing pulleys are toothed pulleys used with timing belts to synchronize the movement of different mechanical components, ensuring precise timing and coordination.
  • Some uses for timing pulleys include 3D printers, CNC machines, robotics and automation components, textile machinery, office equipment such as scanners and copiers, and medical devices requiring precise movement control.

Product Data

Deleted Item. Available while stocks last.

Please contact us first if you wish to use this item in a new design so we can check whether production can be resumed.

  • Number of Teeth : 15
  • Max Belt Width 6.40 mm
    (Equiv. 0.252 in.)
  • Bore (d) 4.000 mm
    (Equiv. 0.157 in.)
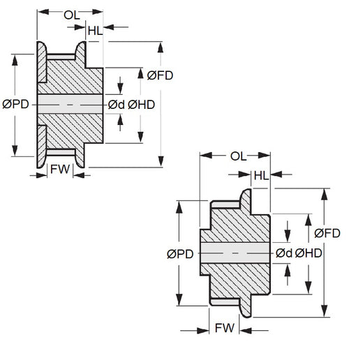
  • Type (See Diagram) Fig 1 mm
  • Pitch Diameter (PD) 9.89 mm
  • Flange Diameter (FD) 14.0 mm
  • Overall Length 17.5 mm
  • Hub Diameter (HD) 11.0 mm
  • Locking Type No Locking Device
  • Material Acetal
Country of Origin: US

Product Compliance and Data

Additional Resources

Cross References

  • A 6M 6M15SF06004
  • A6M6M15SF06004
View full details