
Miniature Bearings Australia
BLP-159-1016-THD-S17 - Datasheet
MBA
Category Information
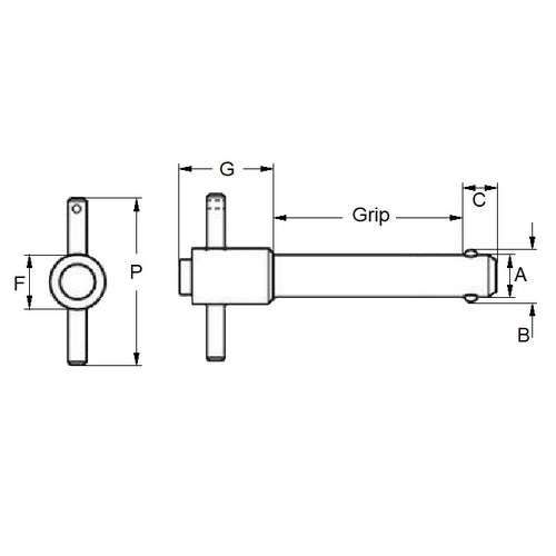
Pins - Ball Lock - No Shoulder - Tee Handle - Stainless Steel Heavy DutyStainless Steel Heavy Duty Tee Handle No Shoulder Ball Lock Pins. 17-4 PH or PH15-7MO stainless steel spindle and shank. Ground handling pins used in the handling of aircraft and service equipment. Tee handle.
- An expanded range may be available on special order. Please enquire.
- Positive lock detent pins.
- 300 Grade Stainless Components
- 440C Stainless Balls
Product Data
- Nominal Diameter
:
15.88
mm
(Equiv. 0.625 in.) - Grip Length (B)
101.60
mm
(Equiv. 4 in.) - Pin Material Grade 17-4 PH Stainless
- Locking Ball to End (C) 16.51 mm
- Open Ball Distance (B) 19.00 mm
- Handle Diameter (F) 22.23 mm
- Handle Height (G) 46.23 mm
- Handle Width (P) 76.20 mm
- Pull Out Strength 937 Kg
- Max. Diameter 15.84 mm
- Min. Diameter 15.80 mm
- Material Stainless Steel 17-4 PH
Product Compliance and Data
Additional Resources
Cross References
- 90980A660
- GHP205
- GHP-205


