
Miniature Bearings Australia
RPI-158-159-C - Datasheet
MBA
Category Information
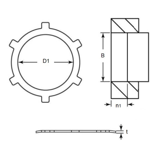
Retaining Rings - Push In Carbon SteelPush In Carbon Steel Retaining Rings. Thrust load shown is calculated for ideal conditions with mild steel bore.
Product Data
- Housing Bore (B) Min
:
15.82
mm
(Equiv. 0.623 in.) - Housing Bore (B) Max
15.93
mm
(Equiv. 0.627 in.) - Inside Clearance (D1)
9.91
mm
+ / - 0.26
(Equiv. 0.39 in.) - Thickness (t) 0.25 mm +/- 0.03
- Recommended Depth (n1) 1.02 mm
- Thrust Load 622 kg.cm
- Material Carbon Spring Steel Self Finish
Product Compliance and Data
Additional Resources
Cross References
- 98435A140
- Small Parts RSI-10
- NoCor TI-062
- TI062
- RSI10
- S73PH1PIR005062
- S73PH1-PIR005062
- N1305-0062-APP
- N13050062APP


