
Miniature Bearings Australia
MLM-127C-203-CEB-OSHAY - Datasheet
MBA
Category Information
Mounts - Levelling Studded - Elastomer Base OSHA YellowElastomer Base OSHA Yellow Levelling Studded Mounts. Levelling adjusters. Protects general metalworking processes equipment including punch presses, milling machines, lathes, mixers, injection moulding machines, grinders from shock and vibration.
- An expanded range may be available on special order. Please enquire.
- Simplifies installation. 63.5mm of neoprene provides controlled deflections under load.
- High isolation efficiency for vibration and shock forces, and reduction of transmitted sound. Adjustable up to 12.7mm above loaded height by a few turns of the leveling bolt and tightening the checknut.
- Corrosion resistant outer housing provides high strength. Neoprene elastomer resists oil, grease, ozone and caustics.
- Zinc plated hardware resists rust. Hex head bolt and locknut finished with mounts. Height dimensions indicate free height of mount under no load.
- OSHA Yellow Steel Cover over elastomer base
Product Data
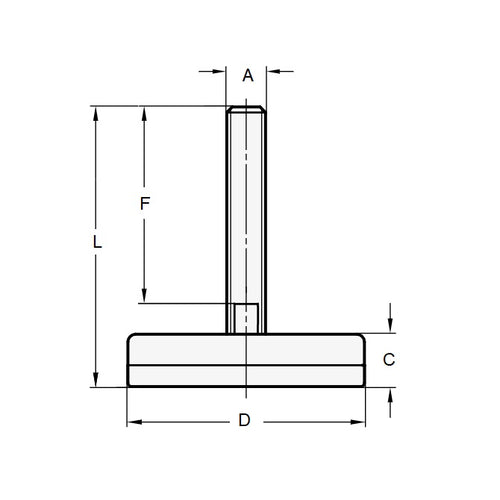
- Thread Size (A) : 1/2-13 UNC (12.7mm)
- Base Diameter (D)
120.7
mm
(Equiv. 4.752 in.) - Foot Height (C)
38.1
mm
(Equiv. 1.5 in.) - Thread Length (F) 203.2 mm
- Base Height (E) 38.1 mm
- Overall Height 241.3 mm
- Load Rating 450 Kg
- Finish Zinc Plated
- Neoprene
- Material Steel
Product Compliance and Data
Additional Resources
Cross References
- MLM0140203127CY
- MLM0140127C203Y
- LM8
- LM-8


