Miniature Bearings Australia - MBA Minibearings
Miniature Bearings Australia

RPI-142-143-C - Datasheet

MBA

Category Information

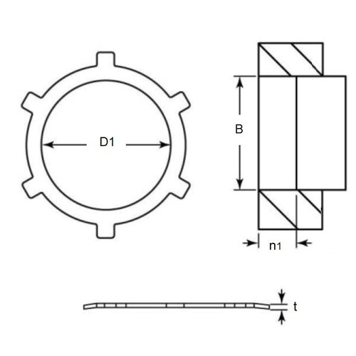
Retaining Rings - Push In Carbon Steel

Push In Carbon Steel Retaining Rings. Thrust load shown is calculated for ideal conditions with mild steel bore.

    Product Data

    • Housing Bore (B) Min : 14.22 mm
      (Equiv. 0.56 in.)
    • Housing Bore (B) Max 14.33 mm
      (Equiv. 0.564 in.)
    • Inside Clearance (D1) 7.92 mm + / - 0.26
      (Equiv. 0.312 in.)
    • Thickness (t) 0.25 mm +/- 0.03
    • Recommended Depth (n1) 1.02 mm
    • Thrust Load 691 kg.cm
    • Material Carbon Spring Steel Self Finish
    Country of Origin: US

    Product Compliance and Data

    Additional Resources

      Cross References

      • 98435A161
      • Truarc C17026
      • NoCor TI-056
      • TI056
      • N1305-0056APP
      • N1305-0056-APP
      • N13050056APP
      • S73PH1PIR005056
      • S73PH1-PIR005056
      View full details