Miniature Bearings Australia - MBA Minibearings
Miniature Bearings Australia

UR-050-S02 - Datasheet

MBA

Category Information

Retaining Rings - Internal - Spiral Rings - Light Duty - Stainless Steel

Stainless Steel Light Duty Spiral Rings Internal Retaining Rings. Includes series CI / VH / UR - Stainless Steel.

  • An expanded range may be available on special order. Please enquire.
  • Light duty rings for use in low clearance applications.
  • Also used as a positioning point for light loads.
  • Radius notch on one end for removal.
  • Narrow radial wall yields moderate thrust loads.
  • Equivalent to Associated Spring: CI, Smalley: VH, Spirolox and Ramsey: UR

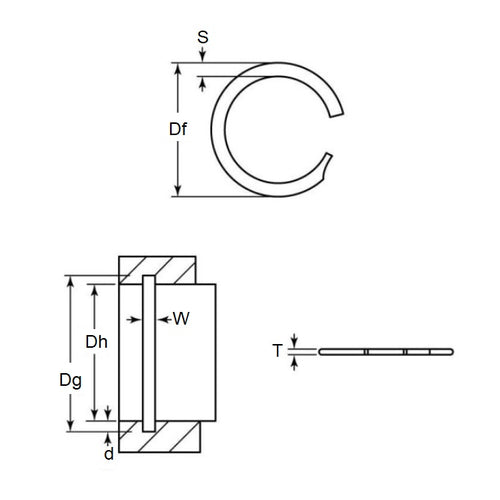
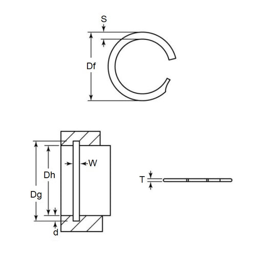
Product Data

  • Housing Bore (B) : 12.70 mm
    (Equiv. 0.5 in.)
  • Clip Thickness (T) 0.46 mm +/- 0.04
    (Equiv. 0.018 in.)
  • Groove Dia. (Dg) 13.41 mm
    (Equiv. 0.528 in.)
  • Approx. Loose Circlip OD (Dr) 13.31 mm + 0.33 / - 0.00
  • Radial Wall (S) Approx. 1.14 mm + 0.08 / - 0.13
  • Groove Width (W) 0.56 mm +/- 0.05
  • Approx. Loose Clip ID 11.03 + + 0.05 / - 0.00
  • Groove Depth (d) 0.36
  • Material Stainless Steel 302/304 (Similar to A2, 18-8)
Country of Origin: US

Product Compliance and Data

Additional Resources

Cross References

  • 92479A730
  • Associated Spring CI-050-S02
  • NoCor VH-050-S02
  • Smalley VH-050-S02
  • VH050S02
  • CI050S02
View full details