Miniature Bearings Australia - MBA Minibearings
Miniature Bearings Australia

RPI-127-128-C - Datasheet

MBA

Category Information

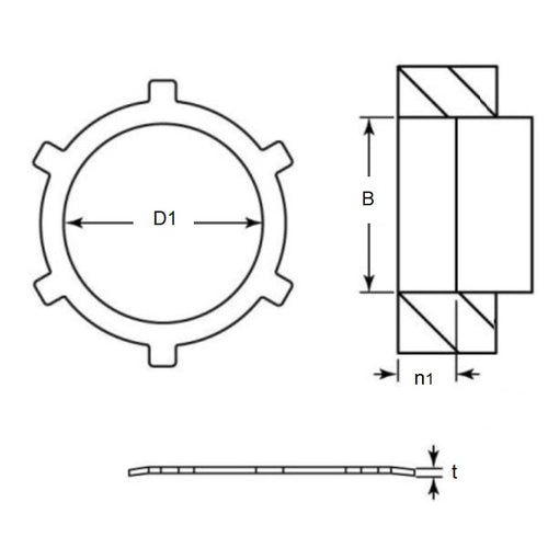
Retaining Rings - Push In Carbon Steel

Push In Carbon Steel Retaining Rings. Thrust load shown is calculated for ideal conditions with mild steel bore.

    Product Data

    • Housing Bore (B) Min : 12.65 mm
      (Equiv. 0.498 in.)
    • Housing Bore (B) Max 12.75 mm
      (Equiv. 0.502 in.)
    • Inside Clearance (D1) 6.55 mm + / - 0.26
      (Equiv. 0.258 in.)
    • Thickness (t) 0.25 mm +/- 0.03
    • Recommended Depth (n1) 1.02 mm
    • Thrust Load 829 kg.cm
    • Material Carbon Spring Steel Self Finish
    Country of Origin: US

    Product Compliance and Data

    Additional Resources

      Cross References

      • 98435A138
      • Truarc C23163
      • Small Parts RSI-8
      • NoCor TI-050
      • TI050
      • RSI8
      • N1305-0050-APP
      • N13050050APP
      • N1305-0050APP
      View full details