
Miniature Bearings Australia
RPO-126-128-CZY - Datasheet
MBA
Category Information
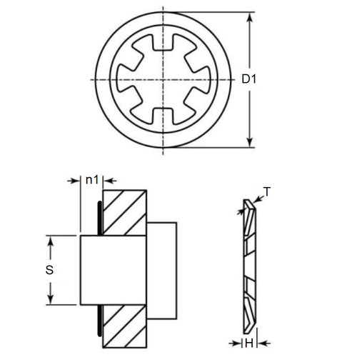
Retaining Rings - Push On - Carbon SteelCarbon Steel Push On Retaining Rings. M1465 / DTX / Seeger ZA and KS.
- An expanded range may be available on special order. Please enquire.
- Thrust load shown is calculated for ideal conditions with mild steel shaft.
- If no thrust load is shown, testing is suggested.
Product Data
- Min shaft size (s1)
:
12.65
mm
(Equiv. 0.498 in.) - Max Shaft Size (s2)
12.75
mm
(Equiv. 0.502 in.) - Outside diameter (D1)
19.05
mm
(Equiv. 0.75 in.) - Min shaft extension (n1) 1.52 mm
- Material Thickness (t) 1.52 mm
- Other Zinc Plated, Yellow
- Material Carbon Steel Zinc Plated
Product Compliance and Data
Additional Resources
Cross References
- Waldes 5105-050-ZD
- IRR 6100-050-ZD
- NoCor TY-050-ZD
- Rotor Clip TY-050-ZD
- 6100050ZD
- 5105050ZD
- TY050ZD


