
Miniature Bearings Australia
PLST-048F-103-TAC-016 - Datasheet
MBA
Category Information
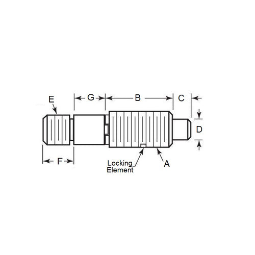
Plungers - Spring Threaded Adapter - Non Locking - SteelSteel Non Locking Spring Threaded Adapter Plungers. Use your own handle on the thread provided.
- Items shown with Long-Lok have a dry threadlocking sealant applied to thread.
Product Data
- Body Thread Size (A) : 10-32 UNF (4.76mm)
- Major Thread Length (B)
10.3
mm
(Equiv. 0.406 in.) - Initial Pressure (F1) 4.5 N
- Final Pressure (F2) 15.6 N
- Tip Diameter (D) 2.6 mm
- Tip Length (C) 2.4 mm
- End Thread Size (E) 10-32 UNC (4.762mm)
- End Thread Length (F) 6.0 mm
- Material Steel
Product Compliance and Data
Additional Resources
Cross References
- NRP-51
- NRP51


