
Miniature Bearings Australia
PLST-064C-127-TAS-022 - Datasheet
MBA
Category Information
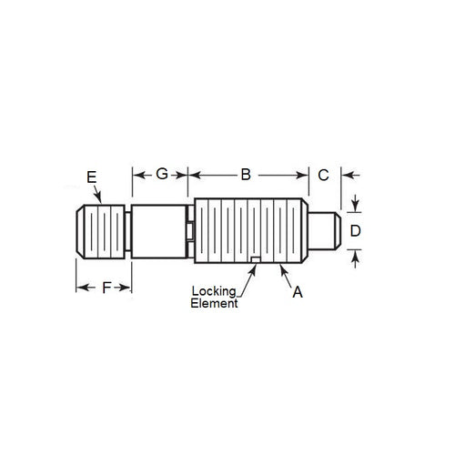
Plungers - Spring Threaded Adapter - Non Locking - StainlessStainless Non Locking Spring Threaded Adapter Plungers. Use your own handle on the thread provided.
- Items shown with Long-Lok have a dry threadlocking sealant applied to thread.
Product Data
- Body Thread Size (A) : 1/4-20 UNC (6.35mm)
- Major Thread Length (B)
12.7
mm
(Equiv. 0.5 in.) - Initial Pressure (F1) 4.5 N
- Final Pressure (F2) 22.2 N
- Tip Diameter (D) 3.2 mm
- Tip Length (C) 3.2 mm
- End Thread Size (E) 10-32 UNC (4.762mm)
- End Thread Length (F) 6.0 mm
- Material Stainless Steel
Product Compliance and Data
Additional Resources
Cross References
- NRP-58
- NRP58


