
Miniature Bearings Australia
PLST-064C-102-HXCLLK-018 - Datasheet
MBA
Category Information
Plungers - Spring - Hex Drive Handle - LockingLocking Hex Drive Handle Spring Plungers. Items shown with Long-Lok have a dry threadlocking sealant applied to thread.
- A compact mechanical component with a spring-loaded ball or pin inside a housing that applies consistent, predictable force. Internal spring compresses when pressure is applied to the ball or pin, allowing it to settle into designated positions or recess.
- Provides a reliable holding or locating mechanism in various industrial applications where precise alignment or securing of parts is needed.
- Also known as ball plungers or spring-loaded pins.
Product Data
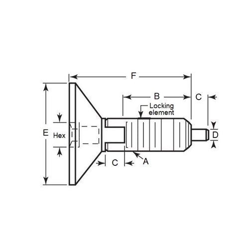
- Thread Size (A) : 1/4-20 UNC (6.35mm)
- Thread Length (B)
10.2
mm
(Equiv. 0.402 in.) - Initial Pressure (F1) 4.5 N
- Final Pressure (F2) 17.8 N
- Tip Diameter (D) 3.1 mm
- Tip Length (C) 3.2 mm
- Head Diameter (E) 19.1 mm
- Overall Length (F) 20.5
- Socket Size (G) 3.2
- Additional With Locking Element
- Material Steel
Product Compliance and Data
Additional Resources
Cross References
- 2375A35
- FHR-1
- FHR1


