
Miniature Bearings Australia
PLST-127C-165-HXCLLK-044 - Datasheet
MBA
Category Information
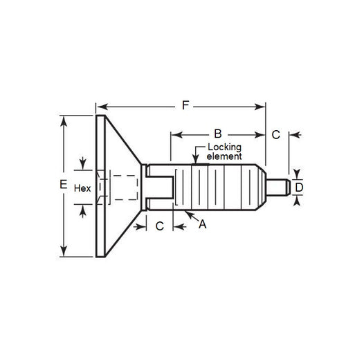
Plungers - Spring - Hex Drive Handle - LockingLocking Hex Drive Handle Spring Plungers. Items shown with Long-Lok have a dry threadlocking sealant applied to thread.
- A compact mechanical component with a spring-loaded ball or pin inside a housing that applies consistent, predictable force. Internal spring compresses when pressure is applied to the ball or pin, allowing it to settle into designated positions or recess.
- Provides a reliable holding or locating mechanism in various industrial applications where precise alignment or securing of parts is needed.
- Also known as ball plungers or spring-loaded pins.
Product Data
- Thread Size (A) : 1/2-13 UNC (12.7mm)
- Thread Length (B)
16.5
mm
(Equiv. 0.65 in.) - Initial Pressure (F1) 4.5 N
- Final Pressure (F2) 44.5 N
- Tip Diameter (D) 6.3 mm
- Tip Length (C) 6.4 mm
- Head Diameter (E) 31.8 mm
- Overall Length (F) 35.1
- Socket Size (G) 6.4
- Additional With Locking Element
- Material Steel
Product Compliance and Data
Additional Resources
Cross References
- 2375A38
- FHR-4
- FHR4


