
Miniature Bearings Australia
SS028B-0032-AS - Datasheet
MBA
Category Information
Socket Set Screws - Standard Cup Point - Alloy Steel DIN916Alloy Steel DIN916 Standard Cup Point Socket Set Screws. Standard grub screws. UNC - UNF - BA - METRIC.
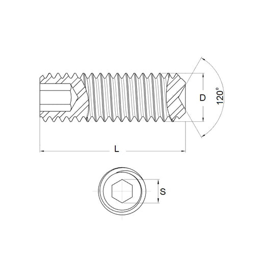
- Socket driven grub screw with a standard cup point.
Product Data
- Thread Size : 6BA (2.794mm)
- Thread Length (L)
3.2
mm
(Equiv. 0.126 in.) - Type Standard Cup Point
- Hex Key Size 1.27 mm (0.05)
- Pitch 0.530 mm
- Threads Per Inch 47.93 TPI
- Finish Hardened, Black Oxide Coated
- Material Carbon Steel - Hardened GD14.9
Product Compliance and Data
Additional Resources
- Screws & Nuts Catalogue
- Shoulder Screws Catalogue
- Socket Set (Grub) Screws Catalogue
- Thumb Screws & Thumb Nuts Catalogue
- Thread Size Chart - Combined Imperial & Metric
Cross References
- MicroFast GrubScrew6BAx1-8
- GrubScrew6BAx18


