
Miniature Bearings Australia
SS028F-0024-AS - Datasheet
MBA
Category Information
Socket Set Screws - Standard Cup Point - Alloy Steel DIN916Alloy Steel DIN916 Standard Cup Point Socket Set Screws. Standard grub screws. UNC - UNF - BA - METRIC.
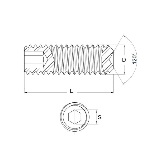
- Socket driven grub screw with a standard cup point.
Product Data
- Thread Size : 4-48 UNF (2.85mm)
- Thread Length (L)
2.4
mm
(Equiv. 0.094 in.) - Type Standard Cup Point
- Hex Key Size 1.27 mm (0.05)
- Pitch 0.529 mm
- Threads Per Inch 48 TPI
- Finish Hardened, Black Oxide Coated
- Material Carbon Steel - Hardened GD14.9
Product Compliance and Data
Additional Resources
- Screws & Nuts Catalogue
- Shoulder Screws Catalogue
- Socket Set (Grub) Screws Catalogue
- Thumb Screws & Thumb Nuts Catalogue
- Thread Size Chart - Combined Imperial & Metric
Cross References
- Brighton Best 4-48FX3-32ASCP
- 448FX332ASCP


