
Miniature Bearings Australia
DVWS2-ADJ-ZZ - Datasheet
MBA
Category Information
Dual Vee - Studded Guide WheelsStudded Guide Wheels Dual Vee. Vee grooved track roller guide wheels.
- An expanded range may be available on special order. Please enquire.
- Match with correct Track Size.
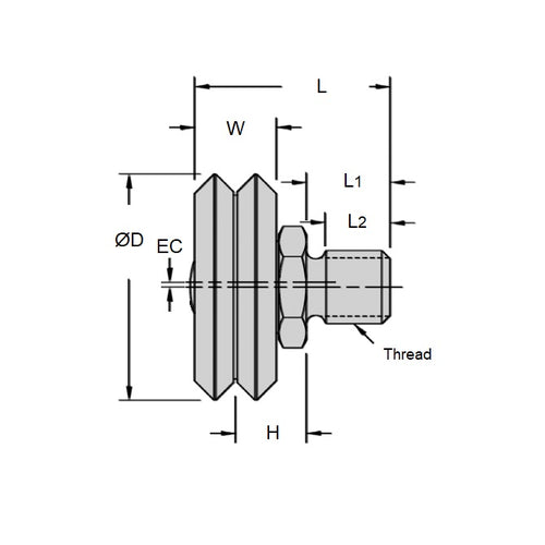
- Note! OD is reference only. Allow up to 1.2 mm larger than listed.
Product Data
Deleted Item. Available while stocks last.
Please contact us first if you wish to use this item in a new design so we can check whether production can be resumed.
- Size Reference : 2
- Outside Diameter (O.D)
30.7
mm
(Equiv. 1.209 in.) - Journal Width (W)
11.13
mm
(Equiv. 0.438 in.) - Overall Length (L) 26.6 mm
- Wheel Type Adjustable
- Offset Value (EC) 0.76 mm
- Static Load (Radial / Axial) 279 / 263 kg
- Dynamic Load (Radial / Axial) 471 / 239 kg
- Thread Size x Length (l2) M8 x 1.25 x 10.4
- Bearing Type Metal Shielded
- Material Chrome Steel SAE 52100 with Shields
Product Compliance and Data
Additional Resources
Cross References
- WZ412
- WZ-412


