
Miniature Bearings Australia
STQ50RS - Datasheet
MBA
Category Information
Rod Ends - Female - Steel - Studded - Swaged Construction- Designed for heavy duty service, they come with dirt shield to provide protection against contaminants.
- Unique assembly swages metal to retain the ball in cavity resulting in increased pull out and wear resistance.
- Ball studs are surface hardened.
- Made of low carbon steel, plated and dichromate treated.
Product Data
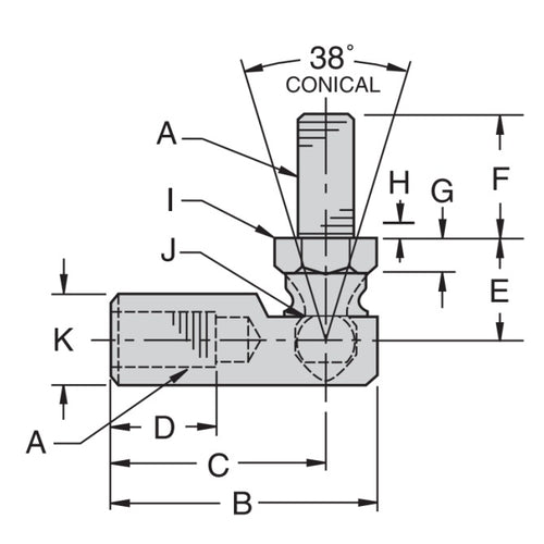
- Thread Size : 3/8-24 UNF (9.53mm) Right Hand
- Thread Length 1
19.05
mm
(Equiv. 0.75 in.) - Thread Length 2
17.46
mm
(Equiv. 0.687 in.) - Head Diameter 15.88 mm
- Centre Height 39.69 mm
- Base Length (P) 34.93 mm
Product Compliance and Data
Additional Resources
Cross References
- STQ-50
- STQ50


