
Miniature Bearings Australia
SPF5SRS - Datasheet
MBA
Category Information
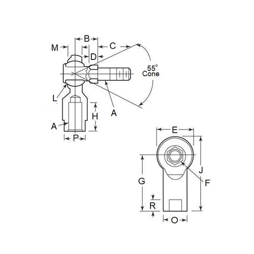
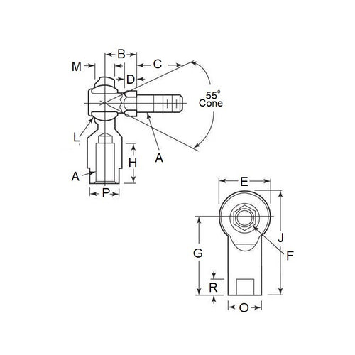
Rod Ends - Female - Steel - Studded - Nylon SeatNylon Seat Studded Steel Female Rod Ends. Housing is plated and dichromate treated steel.
- An expanded range may be available on special order. Please enquire.
- Ball is case hardened and plated
- Stud is permanently affixed and made from heat treated alloy steel, zinc plated.
Product Data
- Thread Size : 5/16-24 UNF (7.94mm) Right Hand
- Thread Length (H)
19.05
mm
(Equiv. 0.75 in.) - Thread Length (C)
17.45
mm
(Equiv. 0.687 in.) - Head Diameter (E) 22.23 mm
- Centre Height (G) 34.93 mm
- Top Width (M) 08.74 mm
- Ball Width (L) 11.10 mm
- Base Width 12.70 mm
- Base Length (P) 11.10 mm
Product Compliance and Data
Additional Resources
Cross References
- SPF5S
- SPF-5S


