
Miniature Bearings Australia
REF-060-R-PP-N - Datasheet
Iglidur
Category Information
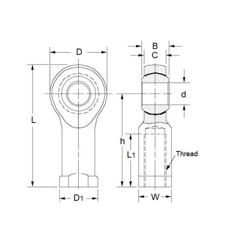
Rod Ends - Female - PlasticPlastic Female Rod Ends. Thermoplastic Body / L280(R) Polymer Ball. Also known as Heim Joints
- An expanded range may be available on special order. Please enquire.
- Dimensions not shown are available on request.
Product Data
- Eye Size (d1)
:
6.000
mm
+0.020 / +0.068
(Equiv. 0.236 in.) - Overall Length (L)
40.50
mm
(Equiv. 1.594 in.) - Thread Size M6x1 Right
- Thread Length (l2) 12.00 mm
- Head Width (W) 6.00 mm
- Eye Width (W1) 4.40 mm
- Head Diameter (D1) 21.00 mm
- Centre Height (l1) 30.00 mm
- Grease Nipple No
- Max Angle of Pivot 27 °
- Max Torque Strength 2.50 n.m
- Body Width/Flange Width(W2/D3) 11.00 / 13.00 mm
Product Compliance and Data
Additional Resources
Cross References
- Igus EBRM-06
- EBRM06


