
Miniature Bearings Australia
REF-100-L-PP-N - Datasheet
Iglidur
Category Information
Rod Ends - Female - PlasticPlastic Female Rod Ends. Thermoplastic Body / L280(R) Polymer Ball. Also known as Heim Joints
- An expanded range may be available on special order. Please enquire.
- Dimensions not shown are available on request.
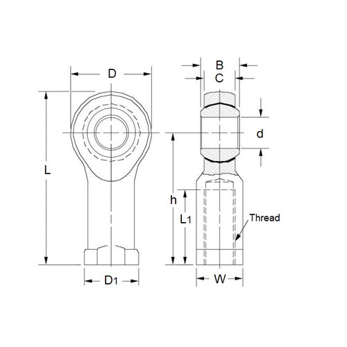
Product Data
- Eye Size (d1)
:
10.000
mm
+0.025 / +0.083
(Equiv. 0.394 in.) - Overall Length (L)
57.50
mm
(Equiv. 2.264 in.) - Thread Size M10x1.5 Left
- Thread Length (l2) 18.00 mm
- Head Width (W) 9.00 mm
- Eye Width (W1) 7.00 mm
- Head Diameter (D1) 29.00 mm
- Centre Height (l1) 43.00 mm
- Grease Nipple No
- Max Angle of Pivot 24 °
- Max Torque Strength 14.00 n.m
- Body Width/Flange Width(W2/D3) 15.00 / 19.00 mm
Product Compliance and Data
Additional Resources
Cross References
- Igus EBLM-10
- EBLM10


