Miniature Bearings Australia - MBA Minibearings
Miniature Bearings Australia

TBS439RS - Datasheet

Thomson Saginaw

Category Information

Ballscrew - Nuts - Thomson Saginaw

Thomson Saginaw Nuts Ballscrew. Ball Nuts to Suit Thomson Saginaw ball screws. Match all components within the Thomson Saginaw range only.

  • Ballscrews and ballnuts are essential components used in various engineering and industrial applications where precise linear motion and high efficiency are required.
  • Ballscrews are used in motion control systems, positioning systems, machine tools, industrial automation, aerospace, defence, medical devices and semi-conductor equipment.
  • An expanded range may be available on special order. Please enquire.
  • All Right hand thread only.

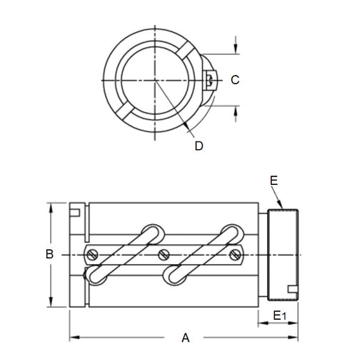
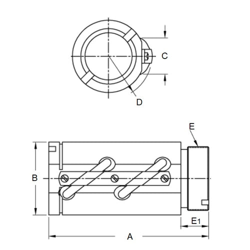
Product Data

  • Type : Non-Preloaded - Round
  • Suits Ball Circle Dia. 38.10
  • Suits Lead 6.35
  • Length (A) 73.03
  • Diameter (B) 53.04
  • Static Load 19972
  • Dynamic Load 1904
  • More Information For more information contact us.
Country of Origin: US

Product Compliance and Data

Additional Resources

    Cross References

    • TBS-439
    • TBS439
    View full details