
Miniature Bearings Australia
TBS418RS - Datasheet
Thomson Saginaw
Category Information
Ballscrew - Nuts - Thomson SaginawThomson Saginaw Nuts Ballscrew. Ball Nuts to Suit Thomson Saginaw ball screws. Match all components within the Thomson Saginaw range only.
- Ballscrews and ballnuts are essential components used in various engineering and industrial applications where precise linear motion and high efficiency are required.
- Ballscrews are used in motion control systems, positioning systems, machine tools, industrial automation, aerospace, defence, medical devices and semi-conductor equipment.
- An expanded range may be available on special order. Please enquire.
- All Right hand thread only.
Product Data
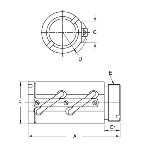
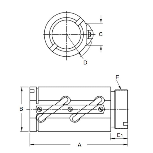
- Type : Non-Preloaded - Round
- Suits Ball Circle Dia. 19.05
- Suits Lead 5.08
- Length (A) 66.93
- Diameter (B) 33.02
- Static Load 5330
- Dynamic Load 944
- More Information For more information contact us.
Product Compliance and Data
Additional Resources
Cross References
- TBS418
- TBS-418


