
Miniature Bearings Australia
KM17 - Datasheet
MBA
Category Information
Nuts - Bearing Locknuts - Right Hand Thread - Standard AN-KM SeriesStandard AN-KM Series Right Hand Thread Bearing Locknuts Nuts. This is the main category in this series
Product Data
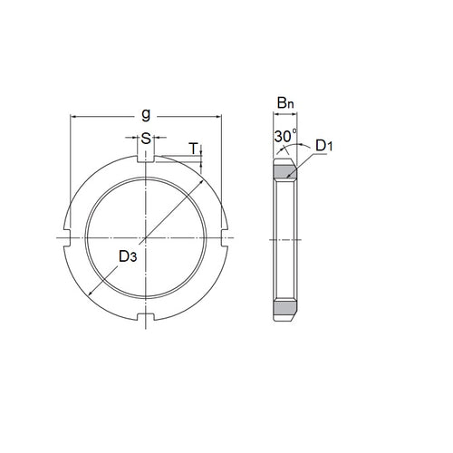
- Shaft Thread Diameter : M85x2
- Outside Dia (OD)
110
mm
(Equiv. 4.331 in.) - Thickness (T) min / max
16.000
mm
(Equiv. 0.63 in.) - Slot Width (s) 8.000
- Slot Depth (T) 3.500
- Material Steel
Product Compliance and Data
Additional Resources
Cross References
- NoCor KM-17
- KM17


