
Miniature Bearings Australia
KM080M-032-5L10 - Datasheet
MBA
Category Information
Knobs - Lobe - Seven Lobe - Male - StandardStandard Male Seven Lobe Lobe Knobs. Also see star knobs
- An expanded range may be available on special order. Please enquire.
Product Data
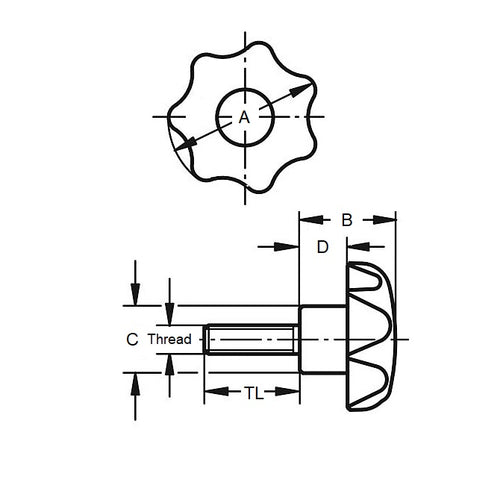
- Thread Size : M8 (8x1.25mm)
- Head Diameter (A)
32
mm
(Equiv. 1.26 in.) - Thread Length
10
mm
(Equiv. 0.394 in.) - Colour Black
- Hub Diameter (C) 18.00 mm
- Hub Length (D) 13.000 mm
- Knob Height (B) 26.00 mm
- Material Steel
Product Compliance and Data
Additional Resources
Cross References
- Misumi C-NLZTM8-10
- CNLZTM810


