Miniature Bearings Australia - MBA Minibearings
Miniature Bearings Australia

KM12 - Datasheet

MBA

Category Information

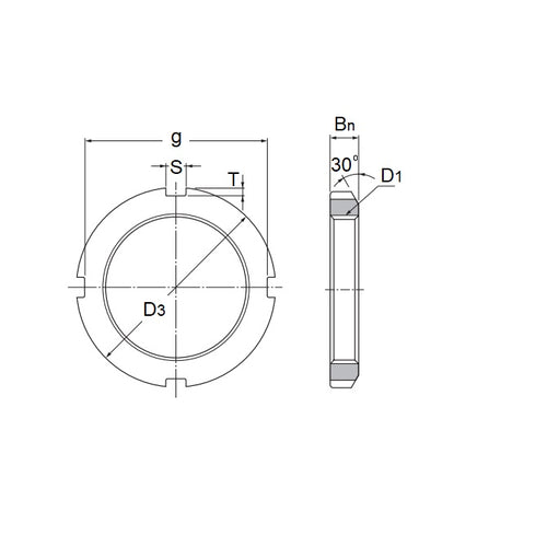
Nuts - Bearing Locknuts - Right Hand Thread - Standard AN-KM Series

Standard AN-KM Series Right Hand Thread Bearing Locknuts Nuts. This is the main category in this series

    Product Data

    • Shaft Thread Diameter : M60 Fine (60x2mm)
    • Outside Dia (OD) 80 mm
      (Equiv. 3.15 in.)
    • Thickness (T) min / max 11.000 mm
      (Equiv. 0.433 in.)
    • Slot Width (s) 7.000
    • Slot Depth (T) 3.000
    • Material Steel
    Country of Origin: JP

    Product Compliance and Data

    Additional Resources

    Cross References

    • NoCor KM-12
    • KM12
    View full details