
Miniature Bearings Australia
KM060M-025-5L10 - Datasheet
MBA
Category Information
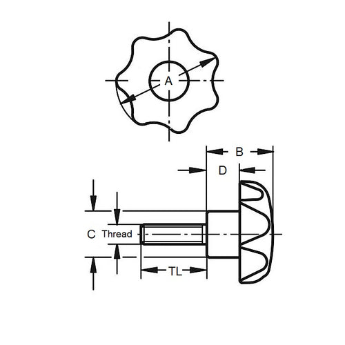
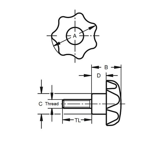
Knobs - Lobe - Seven Lobe - Male - StandardStandard Male Seven Lobe Lobe Knobs. Also see star knobs
- An expanded range may be available on special order. Please enquire.
Product Data
- Thread Size : M6 (6x1mm)
- Head Diameter (A)
25
mm
(Equiv. 0.984 in.) - Thread Length
10
mm
(Equiv. 0.394 in.) - Colour Black
- Hub Diameter (C) 15.00 mm
- Hub Length (D) 9.000 mm
- Knob Height (B) 20.00 mm
- Material Steel
Product Compliance and Data
Additional Resources
Cross References
- Misumi C-NLZTM6-10
- CNLZTM610


