
Miniature Bearings Australia
NT050M-BL-CZ - Datasheet
MBA
Category Information
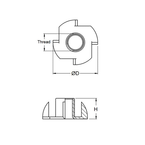
Nuts - Blind - StandardStandard Blind Nuts. Blind nuts - Tee nuts.
- Put steel threads in soft materials like wood without counterboring.
Product Data
Deleted Item. Available while stocks last.
Please contact us first if you wish to use this item in a new design so we can check whether production can be resumed.
- Thread Size : M5 (5x0.8mm)
- Flange Diameter
19
mm
(Equiv. 0.748 in.) - Barrel Height
9.1
mm
(Equiv. 0.358 in.) - Type Tee Nut
- Pitch 0.800 mm
- Threads Per Inch 31.75 TPI
- Material Steel Zinc Plated
Product Compliance and Data
Additional Resources
Cross References
- 98965A210
- MicroFast BNM5


