
Miniature Bearings Australia
THS050M-014-K-3 - Datasheet
MBA
Category Information
Screws - Thumb - Knurled - Stainless - StandardStandard Stainless Knurled Thumb Screws. Stainless steel knurled head thumb screws
- An expanded range may be available on special order. Please enquire.
Product Data
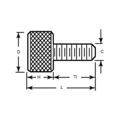
- Thread Size (C) : M5 (5x0.8mm)
- Thread Length (Tl)
14.00
mm
(Equiv. 0.551 in.) - Overall Length (L)
20.00
mm
(Equiv. 0.787 in.) - Head Diameter (D) 20.00 mm
- Head Height (H) 6.00 mm
- Finish Plain
- Material Stainless Steel
Product Compliance and Data
Additional Resources
- Screws & Nuts Catalogue
- Shoulder Screws Catalogue
- Socket Set (Grub) Screws Catalogue
- Thumb Screws & Thumb Nuts Catalogue
- Thread Size Chart - Combined Imperial & Metric
Cross References
- 92545A175
- PTS516
- PTS-516


