
Miniature Bearings Australia
KF050M-016-TTPL-TT - Datasheet
MBA
Category Information
Knobs - Ball - Female Threaded - ThermoplasticThermoplastic Female Threaded Ball Knobs. With moulded plastic threads, or metalic threaded inserts - brass or steel
- An expanded range may be available on special order. Please enquire.
Product Data
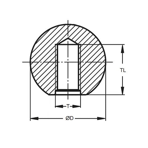
- Thread or Hole Size : M5 (5x0.8mm)
- Diameter
16.00
mm
(Equiv. 0.63 in.) - Thread Depth
7.0
mm
(Equiv. 0.276 in.) - Thread Type Tapped Plastic
- Material Thermoplastic
Product Compliance and Data
Additional Resources
Cross References
- KPB-1210
- KPB1210


