
Miniature Bearings Australia
KM08 - Datasheet
MBA
Category Information
Nuts - Bearing Locknuts - Right Hand Thread - Standard AN-KM SeriesStandard AN-KM Series Right Hand Thread Bearing Locknuts Nuts. This is the main category in this series
Product Data
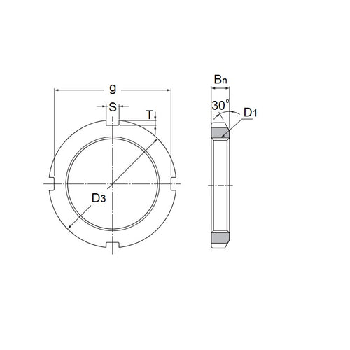
- Shaft Thread Diameter : M40
- Outside Dia (OD)
58
mm
(Equiv. 2.283 in.) - Thickness (T) min / max
9
mm
(Equiv. 0.354 in.) - Material Steel
Product Compliance and Data
Additional Resources
Cross References
- NoCor KM-08
- KM08


