
Miniature Bearings Australia
MLM-200M-120-S4NPRP - Datasheet
MBA
Category Information
Mounts - Levelling Studded - Light Duty - Nylon - No Lag HolesNo Lag Holes Nylon Light Duty Levelling Studded Mounts. Adjusters.
- An expanded range may be available on special order. Please enquire.
Product Data
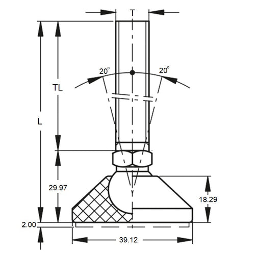
- Thread Size (A) : M20 (20x2.5mm)
- Base Diameter (D)
60.00
mm
(Equiv. 2.362 in.) - Foot Height (C)
42.00
mm
(Equiv. 1.654 in.) - Thread Length (F) 120.00 mm
- Base Height (E) 42.0 mm
- Overall Height 162.0 mm
- Load Rating 210 Kg
- Material Stainless Steel 304 (Similar to A2, 18-8) HRB80
Product Compliance and Data
Additional Resources
Cross References
- Misumi C-CFJLMS60-20-120
- CCFJLMS6020120


