
Miniature Bearings Australia
MLM-120M-100-S4RP - Datasheet
MBA
Category Information
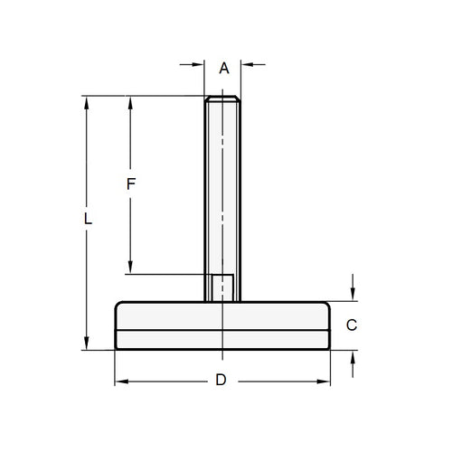
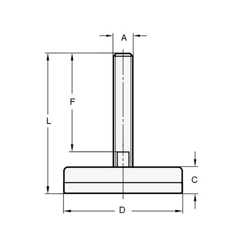
Mounts - Levelling Studded - Swivel - Black Chromate - Rubber PaddedRubber Padded Black Chromate Swivel Levelling Studded Mounts. Levelling adjusters. 15o swivel off centreline to adjust to uneven surfaces and level machine tools, electronic racks and benches.
- An expanded range may be available on special order. Please enquire.
Product Data
- Thread Size (A) : M12 (12x1.75mm)
- Base Diameter (D)
50.00
mm
(Equiv. 1.969 in.) - Foot Height (C)
25.00
mm
(Equiv. 0.984 in.) - Thread Length (F) 100.00 mm
- Base Height (E) 17.00 mm
- Overall Height 125.0 mm
- Load Rating 400 Kg
- Finish Zinc Plated
- Pad Material Rubber
- Hex Flats (B) 19.00 mm
- Material Steel
Product Compliance and Data
Additional Resources
Cross References
- Misumi C-CFJSN50-12-100
- CCFJSN5012100


