
Miniature Bearings Australia
KF100M-035-TTPL-MT - Datasheet
MBA
Category Information
Knobs - Ball - Female Threaded - ThermoplasticThermoplastic Female Threaded Ball Knobs. With moulded plastic threads, or metalic threaded inserts - brass or steel
- An expanded range may be available on special order. Please enquire.
Product Data
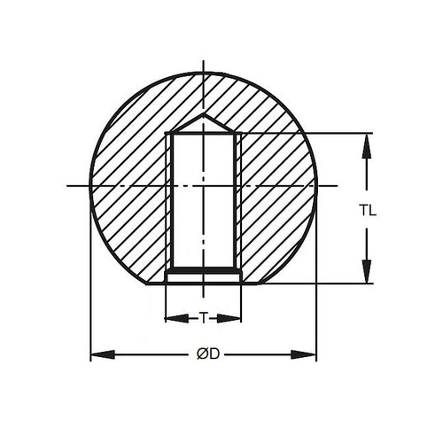
- Thread or Hole Size : M10 (10x1.5mm)
- Diameter
35.00
mm
(Equiv. 1.378 in.) - Thread Type Moulded Plastic
- Material Thermoplastic
Product Compliance and Data
Additional Resources
Cross References
- RST-5
- RST5


