
Miniature Bearings Australia
KM100M-040-8L25 - Datasheet
MBA
Category Information
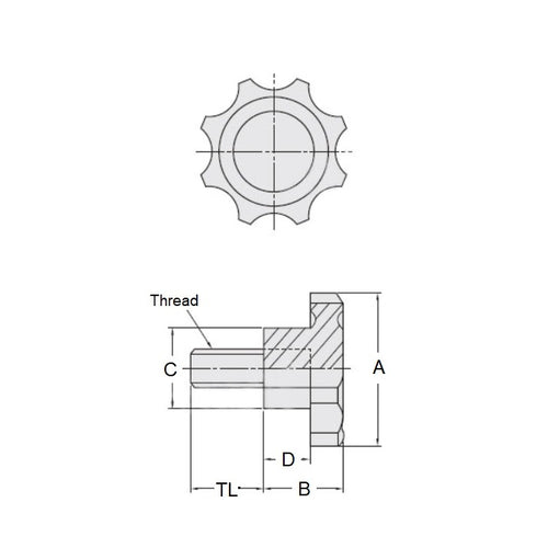
Knobs - Lobe - Eight Lobe - MaleMale Eight Lobe Lobe Knobs. Also see star knobs
- An expanded range may be available on special order. Please enquire.
Product Data
- Thread Size : M10 (10x1.5mm)
- Head Diameter (A)
40
mm
(Equiv. 1.575 in.) - Thread Length
25
mm
(Equiv. 0.984 in.) - Colour Black
- Hub Diameter © 21.00 mm
- Hub Length (D) 14.000 mm
- Knob Height (B) 25.00 mm
- Material Phenolic and Brass
Product Compliance and Data
Additional Resources
Cross References
- Misumi C-NBJM10-25
- CNBJM1025


