
Miniature Bearings Australia
MLM-100M-080-CZRP - Datasheet
MBA
Category Information
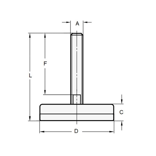
Mounts - Levelling Studded - Swivel - Black Chromate - Rubber PaddedRubber Padded Black Chromate Swivel Levelling Studded Mounts. Levelling adjusters. 15o swivel off centreline to adjust to uneven surfaces and level machine tools, electronic racks and benches.
- An expanded range may be available on special order. Please enquire.
Product Data
- Thread Size (A) : M10 (10x1.5mm)
- Base Diameter (D)
40.00
mm
(Equiv. 1.575 in.) - Foot Height (C)
24.00
mm
(Equiv. 0.945 in.) - Thread Length (F) 80.00 mm
- Base Height (E) 17.00 mm
- Overall Height 104.0 mm
- Load Rating 350 Kg
- Finish Zinc Plated
- Pad Material Rubber
- Hex Flats (B) 17.00 mm
- Material Steel
Product Compliance and Data
Additional Resources
Cross References
- Misumi C-CFJFN10-80
- Misumi C-CFJFN60-10-80
- Misumi C-CFJFNV10-80
- Misumi C-CFJSN10-80
- CCFJFN601080
- CCFJFN1080
- CCFJSN1080
- CCFJFNV1080


