Miniature Bearings Australia - MBA Minibearings
Miniature Bearings Australia

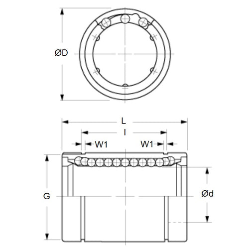
LCB-0200-032-035-W - Datasheet

MBA

Category Information

Linear - Ball Bearings - Standard Closed - Chrome Steel

Chrome Steel Standard Closed Ball Bearings Linear. Standard closed type to run on standard 60HRC shafts with h6 tolerances

  • Use with hardened precision ground shafting.
  • Shaft tolerance: h6 (Normal Fit), j6 (Close Fit).
  • Housing Tolerance: H7 (Clearance Fit), J7 (Interference Fit).
  • Max Temp: 100 oC Intermittent, 80 Deg C continuous.

Product Data

  • Nominal Shaft Size (T) : 20.000 mm
    (Equiv. 0.787 in.)
  • Nom. Outer Diameter (D) 32.00 mm
    (Equiv. 1.26 in.)
  • Length ( L / l ) 35.000 mm
    (Equiv. 1.378 in.)
  • Dynamic Load 777.00 N
  • Static Load 1034.00 N
  • Wiper Configuration Sealed
  • None
  • Material SUJ2 Steel with Plastic Retainer
Country of Origin: JP

Product Compliance and Data

Additional Resources

    Cross References

    • ELB20TUU
    View full details