
Miniature Bearings Australia
LCB-0130-023-061-W-NP - Datasheet
MBA
Category Information
Linear - Ball Bearings - Standard Closed - Chrome SteelChrome Steel Standard Closed Ball Bearings Linear. Standard closed type to run on standard 60HRC shafts with h6 tolerances
- Use with hardened precision ground shafting.
- Shaft tolerance: h6 (Normal Fit), j6 (Close Fit).
- Housing Tolerance: H7 (Clearance Fit), J7 (Interference Fit).
- Max Temp: 100 oC Intermittent, 80 Deg C continuous.
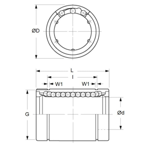
Product Data
- Nominal Shaft Size (T)
:
13.000
mm
(Equiv. 0.512 in.) - Nom. Outer Diameter (D)
23.00
mm
(Equiv. 0.906 in.) - Length ( L / l )
61.000
mm
(Equiv. 2.402 in.) - Dynamic Load 813.00 N
- Static Load 1570.00 N
- Wiper Configuration Sealed
- Material Electroless Nickel Plated SUJ2 Steel with Plastic Retainer
Product Compliance and Data
Additional Resources
- Catalogue: Ceramic Bearings Catalogue
- Catalogue: Plastic Bearings Catalogue
- Catalogue: Standard Bearings Catalogue
- General: Bearing Cleanliness
- General: Bearing Clearances
- General: Bearing Flanges & Snap Rings
- General: Bearing Retainers (Cages)
- General: General Loads Information
- General: Lubrication
- General: Prefix & Suffix Guide
- General: Static vs Dynamic Loads
- Materials: 316 Stainless
- Materials: CASSTOP Anti-Corrosion Bearing Material
- Materials: Ceramic vs Ceramic Hybrid
- Materials: Ceramic Bearings in Vibratory Applications
- Materials: Ceramic Hybrid Bearings in Vibratory Applications
- Materials: General Bearing Materials
- Materials: Magnetism & Bearings
- Precision: 316 Stainless & Plastic Bearing Tolerances
- Precision: ABEC Basic Information
- Precision: Precision Bearing Tolerances
- Problem Solving: Bearing Failure
- Problem Solving: Fatigue (L10 Life)
- Problem Solving: Noise
Cross References
- ELBM13LUU


