
Miniature Bearings Australia
GHK0700-0800-050 - Datasheet
ExaktKey
Category Information
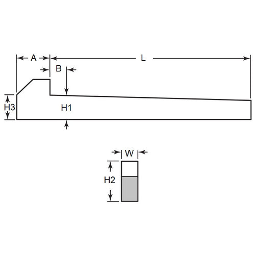
Keys - Gib Head - SteelSteel Gib Head Keys. Tapered 3.000 mm per 300 mm (1:100)
- An expanded range may be available on special order. Please enquire.
Product Data
- Nominal Key Height (H1)
:
7.000
mm
(Equiv. 0.276 in.) - Width (W)
8.000
mm
(Equiv. 0.315 in.) - Length (L)
50.0
mm
(Equiv. 1.969 in.) - Head Height (h2) Approx. 11.0 mm
- Taper 1:100
- Standard DIN6887
- Head Length (Approx) (A) 8.000 mm
- Material Cold Finished Steel
Product Compliance and Data
Additional Resources
Cross References
- GHK850
- GHK8-50


