
Miniature Bearings Australia
GHK0700-1800-160 - Datasheet
ExaktKey
Category Information
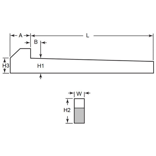
Keys - Gib Head - SteelSteel Gib Head Keys. Tapered 3.000 mm per 300 mm (1:100)
- An expanded range may be available on special order. Please enquire.
Product Data
- Nominal Key Height (H1)
:
7.000
mm
(Equiv. 0.276 in.) - Width (W)
18.000
mm
(Equiv. 0.709 in.) - Length (L)
160.0
mm
(Equiv. 6.299 in.) - Head Height (h2) Approx. 18.0 mm
- Taper 1:100
- Standard DIN6887
- Head Length (Approx) (A) 18.000 mm
- Material Cold Finished Steel
Product Compliance and Data
Additional Resources
Cross References
- NoCor GHK18x7x1604-30-08
- GHK18x7x16043008


