Miniature Bearings Australia - MBA Minibearings
Miniature Bearings Australia

GHK1200-2000-160 - Datasheet

ExaktKey

Category Information

Keys - Gib Head - Steel

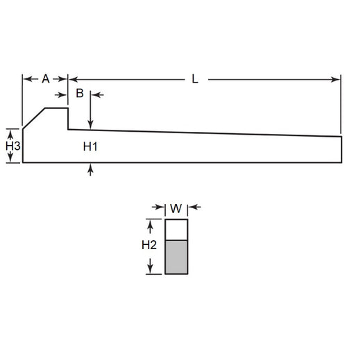
Steel Gib Head Keys. Tapered 3.000 mm per 300 mm (1:100)

  • An expanded range may be available on special order. Please enquire.

Product Data

  • Nominal Key Height (H1) : 12.000 mm
    (Equiv. 0.472 in.)
  • Width (W) 20.000 mm
    (Equiv. 0.787 in.)
  • Length (L) 160.0 mm
    (Equiv. 6.299 in.)
  • Head Height (h2) Approx. 20.0 mm
  • Taper 1:100
  • Standard DIN6887
  • Head Length (Approx) (A) 18.000 mm
  • Material Cold Finished Steel
Country of Origin: US

Product Compliance and Data

Additional Resources

View full details