
Miniature Bearings Australia
CP-110-110-30-030-H-P1 - Datasheet
MBA
Category Information
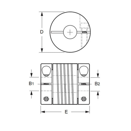
Couplings - Helical - StandardStandard Helical Couplings. 0.1 to 16.2 Nm.
- An expanded range may be available on special order. Please enquire.
- Zero backlash.
- Max. Ang Misalignment 5 Degree
- Max Parallel Offset 0.25mm.
Product Data
- Bore (B1)
:
11.000
mm
(Equiv. 0.433 in.) - Bore (B2)
11.000
mm
(Equiv. 0.433 in.) - OD (D) / Clearance Dia (H)
30.000
mm
(Equiv. 1.181 in.) - Length (L) 30.000 mm
- Max. Momentary Dyn. Torque 4.15 N.m
- Hub Config/Hub Diameter Set Screw / 30.0 mm
- Torsional Flexibility 34.8 Arc.Min / N.m
- Material Stainless Steel 17-4 PH
Product Compliance and Data
Additional Resources
Cross References
- S50HWWM30P1111


