
Miniature Bearings Australia
CP-100-100-25-030-H-SA - Datasheet
MBA
Category Information
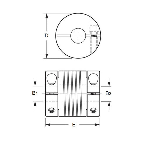
Couplings - Helical - StandardStandard Helical Couplings. 0.1 to 16.2 Nm.
- An expanded range may be available on special order. Please enquire.
- Zero backlash.
- Max. Ang Misalignment 5 Degree
- Max Parallel Offset 0.25mm.
Product Data
- Bore (B1)
:
10.000
mm
(Equiv. 0.394 in.) - Bore (B2)
10.000
mm
(Equiv. 0.394 in.) - OD (D) / Clearance Dia (H)
25.000
mm
(Equiv. 0.984 in.) - Length (L) 30.000 mm
- Max. Momentary Dyn. Torque 1.1 N.m
- Hub Config/Hub Diameter Clamp Hub / 25.0 mm
- Torsional Flexibility 210.0 Arc.Min / N.m
- Material Aluminium 7075-T6
Product Compliance and Data
Additional Resources
Cross References
- 2463K38
- S50HAWM25H1010


