
Miniature Bearings Australia
GE-02540-05398-W300 - Datasheet
Iglidur
Category Information
Bushings - Spherical - PlasticPlastic Spherical Bushings. Plastic spherical plain bearings. Also known as ball bushings.
- Self-aligning bearing that has spherical inner and outer rings, allowing it to handle both large radial and axial loads simultaneously.
- Used in applications with slow swinging movements or where misalignment must be compensated for, such as in control linkages, suspension components, and industrial machinery.
- Designed to reduce vibration and noise by allowing articulating motion in a fixed directional load.
- Ball Material W300. Housing Iglidur G.
- Maintenance Free. Self lubricating.
- Compensates for axial loads and misalignment.
- Corrosion resistant.
- High vibration dampening capacity.
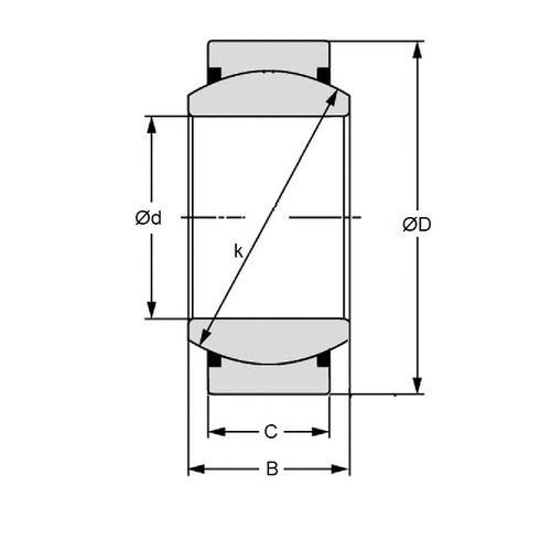
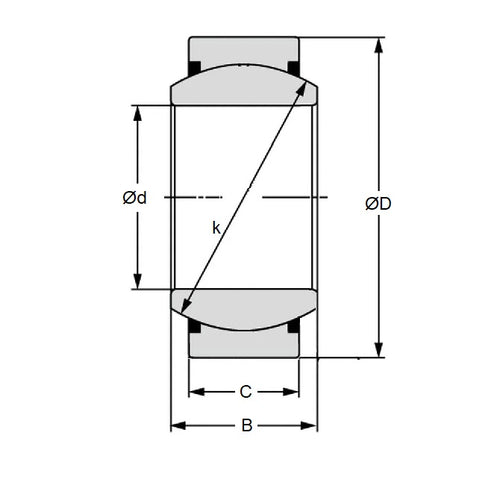
Product Data
- Bore (d1)
:
25.400
mm
+ 0.040 / + 0.124
(Equiv. 1 in.) - OD (d2)
53.980
mm
(Equiv. 2.125 in.) - Width (B)
34.930
mm
(Equiv. 1.375 in.) - Outer Width (C) 25.53 mm
- Max Pivot angle 23 Deg.
- Max Torque 65.0 Nm
- Max Static Comp. str. (Radial) 13600 N
- Max Static Comp. str. (Axial) 980 N
- Material W300 Plastic
Product Compliance and Data
Additional Resources
Cross References
- Igus KGLI-16
- KGLI16


