Miniature Bearings Australia - MBA Minibearings
Miniature Bearings Australia

BP0180-0200-0250-S6 - Datasheet

MBA

Category Information

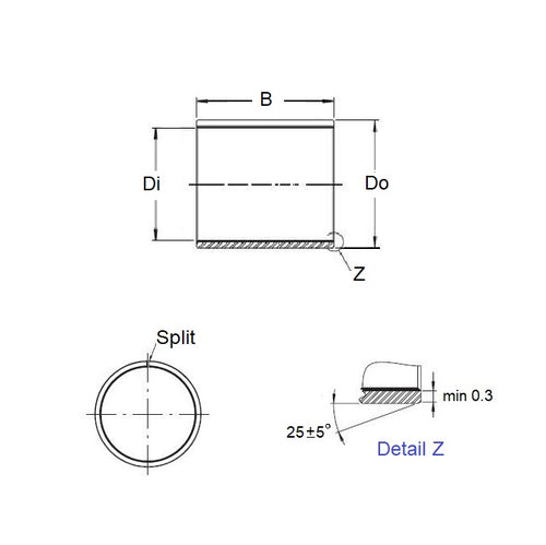
Bushes - Unflanged - Split - Stainless Steel and PTFE

Stainless Steel and PTFE Split Unflanged Bushes. Oil, acid, alkali and salt water resistant. Contains no lead. Particularly suited to food applications, flow meters and pumps in pharmaceutical applications, printing machines chemical engineering and seawater applications.

  • An expanded range may be available on special order. Please enquire.
  • Operating Temperature -200o to 280o Celsuis
  • PTFE with oilfibre 0.01 to around 0.03mm
  • Porous bronze 0.2 to around 0.3mm
  • Stainless steel backing 0.7 to around 2.3mm
  • 140 N/mm2 dynamic load rating. 250 N/mm2 static. 60 N/mm2 Oscillating. Speed Limit in oil 4.5 metres surface speed per second.

Product Data

  • Nominal Inside Diameter (d) : 18.000 mm - 0.000 / - 0.034
    (Equiv. 0.709 in.)
  • Nominal Outside Diameter (D) 20.000 mm + 0.075 / - 0.000
    (Equiv. 0.787 in.)
  • Length (s) 25.000 mm + 0.00 / - 0.30
    (Equiv. 0.984 in.)
Country of Origin: TW

Product Compliance and Data

Additional Resources

Cross References

  • Glacier SF-1825-1S316
  • SF18251S316
View full details