Miniature Bearings Australia - MBA Minibearings
Miniature Bearings Australia

BF0120-0140-0120-PQ - Datasheet

Iglidur

Category Information

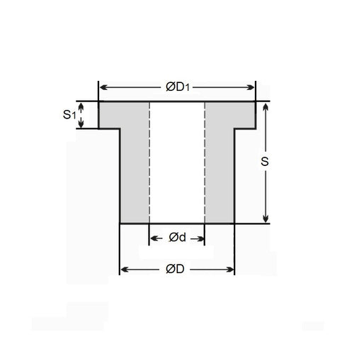
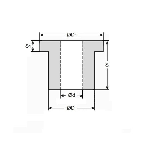
Bushes - Flanged - Plastic - Iglidur Q

Iglidur Q Plastic Flanged Bushes. Excellent wear resistance under high load. Resistant to dirt.

  • An expanded range may be available on special order. Please enquire.
  • Specific Gravity 1.40 g/cm3.
  • Operating Temp 155 C short term / 135 C long term.
  • Tensile Strength at 20 Deg C = 120 Mpa.
  • Hardness 83 Shore D (DIN53505).
  • Bushing bore tolerance shown is after a H7 press fit.

Product Data

  • Nominal Inside Diameter (d) : 12.000 mm + 0.032 / + 0.102
    (Equiv. 0.472 in.)
  • Nominal Outside Diameter (D) 14.000 mm
    (Equiv. 0.551 in.)
  • Length (s) 12.000 mm + 0.000 / - 0.270
    (Equiv. 0.472 in.)
  • Flange OD (D1) 20.00 mm
  • Flange Thickness (s1) 1.00 mm
  • Material Iglidur Q
Country of Origin: DE

Product Compliance and Data

Additional Resources

Cross References

  • Igus QFM-1214-12
  • QFM121412
View full details