Miniature Bearings Australia - MBA Minibearings
Miniature Bearings Australia

BF0095-0119-0064-PQ - Datasheet

Iglidur

Category Information

Bushes - Flanged - Plastic - Iglidur Q

Iglidur Q Plastic Flanged Bushes. Excellent wear resistance under high load. Resistant to dirt.

  • An expanded range may be available on special order. Please enquire.
  • Specific Gravity 1.40 g/cm3.
  • Operating Temp 155 C short term / 135 C long term.
  • Tensile Strength at 20 Deg C = 120 Mpa.
  • Hardness 83 Shore D (DIN53505).
  • Bushing bore tolerance shown is after a H7 press fit.

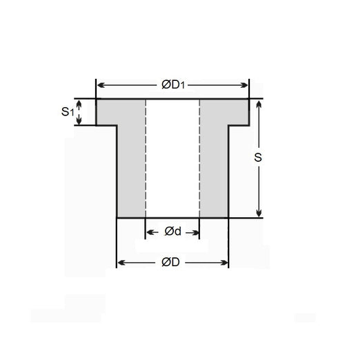
Product Data

  • Nominal Inside Diameter (d) : 9.525 mm + 0.025 / + 0.083
    (Equiv. 0.375 in.)
  • Nominal Outside Diameter (D) 11.906 mm
    (Equiv. 0.469 in.)
  • Length (s) 6.350 mm + 0.000 / - 0.180
    (Equiv. 0.25 in.)
  • Flange OD (D1) 17.45 mm
  • Flange Thickness (s1) 1.17 mm
  • Material Iglidur Q
Country of Origin: DE

Product Compliance and Data

Additional Resources

Cross References

  • Igus QFI-0607-04
  • QFI060704
View full details