
Miniature Bearings Australia
BP0030-0045-0030-PP - Datasheet
Iglidur
Category Information
Bushes - Unflanged - Plastic - Iglidur PIglidur P Plastic Unflanged Bushes. Low water absorption. Low wear. Hgh load.
- An expanded range may be available on special order. Please enquire.
- Specific Gravity 1.47 g/cm3.
- Operating Temp 200 C short term / 130 C long term.
- Tensile Strength at 20 Deg C = 120 Mpa.
- Hardness 75 Shore D (DIN53505).
- Bushing bore tolerance shown is after a H7 press fit.
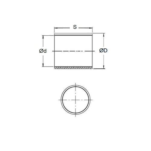
Product Data
- Nominal Inside Diameter (d)
:
3.000
mm
+ 0.014 / + 0.054
(Equiv. 0.118 in.) - Nominal Outside Diameter (D)
4.500
mm
(Equiv. 0.177 in.) - Length (s)
3.000
mm
+ 0.000 / - 0.140
(Equiv. 0.118 in.) - Material Iglidur P
Product Compliance and Data
Additional Resources
- DU Bush Material Information
- General Bushes Catalogue
- Sintered Bronze Products Catalogue
- Solid Bronze Bushes catalogue
Cross References
- Igus PSM-0304-03
- PSM030403


