Miniature Bearings Australia - MBA Minibearings
Miniature Bearings Australia

BF0150-0170-0170-PJ - Datasheet

Iglidur

Category Information

Bushes - Flanged - Plastic - Iglidur J

Iglidur J Plastic Flanged Bushes. Low Wear - Dry Running - Vibration Dampening - Chemical Resistance.

  • An expanded range may be available on special order. Please enquire.
  • Specific Gravity 1.49 g/cm3.
  • Operating Temp 120 C short term / 90 C long term.
  • Tensile Strength at 20 Deg C = 73 Mpa.
  • Hardness 74 Shore D (DIN53505).
  • Bushing bore tolerance shown is after a H7 press fit.

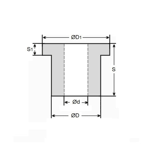
Product Data

  • Nominal Inside Diameter (d) : 15.000 mm + 0.032 / + 0.102
    (Equiv. 0.591 in.)
  • Nominal Outside Diameter (D) 17.000 mm
    (Equiv. 0.669 in.)
  • Length (s) 17.000 mm + 0.000 / - 0.270
    (Equiv. 0.669 in.)
  • Flange OD (D1) 23.00 mm
  • Flange Thickness (s1) 1.00 mm
  • Material Iglidur J
Country of Origin: DE

Product Compliance and Data

Additional Resources

Cross References

  • Igus JFM-1517-17
  • JFM151717
View full details