
Miniature Bearings Australia
BF0064-0079-0064-PG - Datasheet
Iglidur
Category Information
Bushes - Flanged - Plastic - Iglidur GIglidur G Plastic Flanged Bushes. General purpose maintenance free dry running.
- An expanded range may be available on special order. Please enquire.
- Specific Gravity 1.45 g/cm3.
- Operating Temp 220 C short term / 130 C long term.
- Tensile Strength at 20 Deg C = 210 Mpa.
- Hardness 81 Shore D (DIN53505).
- Bushing bore tolerance shown is after a H7 press fit.
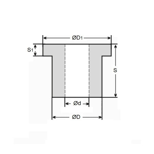
Product Data
- Nominal Inside Diameter (d)
:
6.350
mm
+ 0.025 / + 0.083
(Equiv. 0.25 in.) - Nominal Outside Diameter (D)
7.938
mm
(Equiv. 0.313 in.) - Length (s)
6.350
mm
+ 0.000 / - 0.220
(Equiv. 0.25 in.) - Flange OD (D1) 12.70 mm
- Flange Thickness (s1) 0.81 mm
- Material Iglidur G
Product Compliance and Data
Additional Resources
- DU Bush Material Information
- General Bushes Catalogue
- Sintered Bronze Products Catalogue
- Solid Bronze Bushes catalogue
Cross References
- Igus GFI-0405-04
- GFI040504


