
Miniature Bearings Australia
BF0120-0140-0120-PF - Datasheet
Iglidur
Category Information
Bushes - Flanged - Plastic - Iglidur FIglidur F Plastic Flanged Bushes. Electrically conductive. High Compressive Strength. High Temp. Resistant to Chemicals.
- An expanded range may be available on special order. Please enquire.
- Specific Gravity 1.25 g/cm3.
- Operating Temp 180 C short term / 140 C long term.
- Tensile Strength at 20 Deg C = 260 Mpa.
- Hardness 84 Shore D (DIN53505).
- Bushing bore tolerance shown is after a H7 press fit.
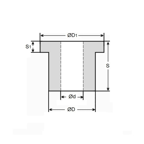
Product Data
- Nominal Inside Diameter (d)
:
12.000
mm
+ 0.050 / + 0.160
(Equiv. 0.472 in.) - Nominal Outside Diameter (D)
14.000
mm
(Equiv. 0.551 in.) - Length (s)
12.000
mm
+ 0.000 / - 0.270
(Equiv. 0.472 in.) - Flange OD (D1) 20.00 mm
- Flange Thickness (s1) 1.00 mm
- Material Iglidur F
Product Compliance and Data
Additional Resources
- DU Bush Material Information
- General Bushes Catalogue
- Sintered Bronze Products Catalogue
- Solid Bronze Bushes catalogue
Cross References
- Igus FFM-1214-12
- FFM121412


